МЫ СВЯЖЕМСЯ С ВАМИ
СОВРЕМЕННЫЕ ТЕХНОЛОГИИ ПРОИЗВОДСТВА
ЖЕСТКИЕ КРИТЕРИИ ОТБОРА СЫРЬЯ
КВАЛИФИЦИРОВАННЫЕ РАБОЧИЕ
+7 (967) 555-23-92
Обратный звонокСпецификация металлоизделий серии 3.407-115 6-го выпуска разрабатывалась ещё в советские времена. Несмотря на это, по своим эксплуатационным качествам они и сейчас превосходят многие зарубежные аналоги. Компания «Рус-опора» готова поставить вам изделия этой серии различных модификаций в Енакиево, а так же по Донецкой Народной Республике.
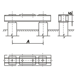
| Эскиз | Шифр | Основные размеры | Вес, кг | Тип свай | |
| А, мм | Б, мм | ||||
| Под свободностоящие промежуточные металлические опоры, закрепляемые двумя болтами | |||||
![]() |
Р2-25-16-2 | 800 | 160 | 101 | С25 |
| Р2-25-20-2 | 200 | 137 | |||
| Р2-35-16-2 | 1100 | 160 | 110 | С35 | |
| Р2-35-20-2 | 200 | 141 | |||
| Р2-35-24-2 | 240 | 200 | |||
| Р2-35-30-2 | 300 | 250 | |||
| Р2-56-24-2 | 1700 | 240 | 221 | ЦС | |
| Р2-56-30-2 | 300 | 296 | |||
| Р2-56-30С-2 | 408 | ||||
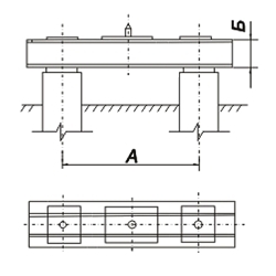
| Под свободностоящие промежуточно-угловые и анкерно-угловые опоры, закрепляемые четырьмя болтами | |||||
![]() |
Р2-25-16С-4 | 800 | 160 | 185 | С25 |
| Р2-35-16С-4 | 1100 | 239 | С35 | ||
| Р2-35-20С-4 | 200 | 247 | |||
| Р2-35-20С-4Т | 274 | ||||
| Р2-35-25С-4 | 250 | 313 | |||
| Р2-56-20С-4 | 1700 | 200 | 304 | ЦС | |
| Р2-56-20С-4Т | 398 | ||||
| Р2-56-25С-4 | 250 | 378 | |||
| Р2-56-30С-4 | 300 | 416 | |||
| Р2-56-30С-4Т | 431 | ||||
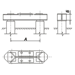
| Под стойку опор на оттяжках | |||||
![]() |
Р2-35-24-1 | 1100 | 240 | 133 | С35 |
| Р2-35-30-1 | 300 | 179 | |||
| Р2-56-24-1 | 1700 | 240 | 167 | ЦС | |
| Р2-56-30-1 | 300 | 225 | |||
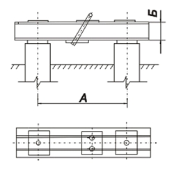
| Для закрепления оттяжек опор | |||||
![]() |
Р2-35-16-0 | 1100 | 160 | 120 | С35 |
| Р2-35-24-0 | 240 | 160 | |||
| Р2-56-24-0 | 1700 | 196 | ЦС | ||
| Эскиз | Шифр | Основные размеры | Вес, кг | Тип свай, подножников |
||
| A, мм | B, мм | C, мм | ||||
| Под промежуточные опоры | ||||||
![]() |
Р4-35-20/16-2 | 1100 | 200 | 160 | 283 | С35 |
| Р4-35-24/20-2 | 240 | 200 | 380 | |||
| Р4-35-30/24-2 | 300 | 240 | 514 | |||
| Под тяжелые промежуточные и анкерно-угловые опоры | ||||||
![]() |
Р4-35-16С/20-4 | 1100 | 160 | 200 | 427 | С35 |
| Р4-35-20С/24-4 | 200 | 240 | 523 | |||
| Р4-35-20С/24-4Т | 550 | |||||
| Р4-35-25С/20-4 | 250 | 200 | 501 | |||
| Р4-35-25С/24-4 | 240 | 547 | ||||
| Р4-35-30С/30-4Т | 300 | 300 | 732 | |||
| Р4-56-20С/24-4 | 1700 | 200 | 240 | 612 | ЦС | |
| Р4-56-25С/30-4 | 250 | 300 | 818 | |||
| Р4-56-20С/30-4Т | 200 | 838 | ||||
| Р4-56-30С/30-4 | 300 | 671 | ||||
| Р4-56-30С/25С-4 | 250 | 1044 | ||||
| Р4-56-30С/25С-4Т | 1067 | |||||
| Р4-56-35С/30С-4Т | 350 | 300 | 1199 | |||
| Под стойки опор на оттяжках | ||||||
![]() |
Р4-35-30/24-1 | 1100 | 306 | 240 | 445 | С35 |
| Для закрепления оттяжек опор | ||||||
![]() |
Р4-35-24/16-0 | 1100 | 240 | 160 | 293 | С35 |
| Для спаренных фундаментов под тяжелые анкерно-угловые опоры | ||||||
![]() |
Б1-А | 1700 | 500 | 350 | 984 | ФС1-А-350 ФС2-А-350 |
| Б2-А | 250 | |||||
| Б3-А | 960 | 482 | 350 | 73 | ФП5-А-350 | |
Фундаменты свайного типа и ростверки из металла серии 3.407-115 служат в качестве основы для линий электропередач. В комплект входят специально усиленные центрифугированием железобетонные сваи и ростверк на металлической основе. В качестве дополнения служат соединительные крепёжные элементы – болты, штыри и петли. Определить особенности предлагаемых фундаментов и ростверков можно по маркировке:
При заказе любых металлических конструкций посредством нашей компании, вы получаете ряд явных преимуществ.
Приобретая продукцию непосредственно от производителя, вы покупаете его дешевле, чем у посреднических организаций. «Рус-опора» обладает собственным современным промышленным оборудованием и может предложить вам большой выбор металлоизделий. С образцами выпускаемых нами конструкций вы можете ознакомиться на нашем сайте. Здесь же вы получаете возможность быстро оформить заказ, не тратя время на посещение офиса. Заявка сразу же поступает в обработку и исполняется в самые короткие сроки. Нами осуществляется доставка заказанных металлоконструкций по территории Донецкой Народной Республики.
Свайные фундаменты опор ЛЭП серии 3.407-115 выпускаются с двумя и четырьмя сваями на металлические ростверки. Они выпускаются в различных модификациях:
Срок службы производимых нами ростверков и фундаментов зависит от используемой марки стали и антикоррозийного покрытия. В качестве защиты от коррозии может использоваться оцинковка или лакокрасочная смесь.









